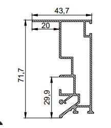
BP03 LumFer конструкционный профиль
■ При наличии полного комплекта, товары отгружаются в течение рабочего дня после оплаты транспортной компанией или курьерской службой СДЭК |Товары длиной более 2м отгружаются транспортными компаниями в обрешетке
■ Оплата: СБП, картой, по счету на расчетный счет
Основные параметры | |
Серия профиля | Gold |
Единица измерения | м |
Цена указана за | штуку |
Тип профиля | Профиль для дизайна потолка, Конструкционный профиль |
Место для подсветки | Да |
Цвет | |
Цвет профиля | черный, белый |
Размеры | |
Длина, мм | 2000 |
Установка | |
Место установки | На стену |
Тип потолка | Натяжной ПВХ |
Дизайн потолка | Безрамный потолок, Остров с подсветкой, Парящий потолок, Потолок с подсветкой |
Цена за 1м монтажа от | 2500 |
Характеристики полотна | |
Цена указана с монтажом | Нет |
Параметры упаковки и отгрузки | |
Кратность отгрузки | 2 м |
Минимальный общий заказ | от 5000 р |
Бренд | LumFer |
Конструкционный профиль BP03 безрамный потолок предназначен для создания
- парящих безрамных потолков
- двухуровневых потолков
- острова с диффузным рассеиванием
Остров с диффузным освещением — это конструкция, создающая эффект парения отдельной части потолка.
Данная конструкция предусматривает возможность использования подсветки по периметру острова.
Паз для светодиодной ленты закрывается ПВХ экраном для более равномерного и плавного рассеивания света.
Безрамный «парящий» потолок LumFer
В данном решении потолок не имеет примыкания к стенам и дает ощущение парящего.
Визуальная особенность безрамного потолка — отсутствие вставки и наличие «теневой зоны» от 2 до 3,5 см вдоль стены.
Между профилем и стеной монтируется специальный саморасширяющийся поролон (ПСУЛ) черного цвета, который скрывает все неровности
стен.
Возможно использование подсветки по периметру потолка.
Паз для светодиодной ленты закрывается ПВХ экраном для более равномерного и плавного рассеивания света.
Паз для гарпуна маскируется декоративной ПВХ или алюминиевой вставкой.
• нет ПВХ заглушек вдоль стены;
• отсутствует риск повреждения электропроводки в стене;
• циркуляция воздуха в межпотолочном пространстве;
• зазор между потолком и стеной от 2 до 3,5 см, что позволяет скрыть неровности стен;
• монтаж не зависит от материала отделки стен (штукатурка, обои, декоративный камень
и др.).
Остров с диффузным освещением LumFer
Современное дизайнерские решение в освещении натяжных потолков в виде острова с декоративной подсветкой.
Данное решение стало возможно в натяжном потолке только благодаря собственным инновационным профильным системам LumFer.
Остров с диффузным освещением LumFer создает целый спектр возможностей для превращения даже самого простого интерьера в нечто неординарное и стильное.
• мягкий и рассеянный свет;
• имитация гипсокартона;
• зонирование помещения с дополнительной подсветкой функциональных зон комнаты;
• идеальное решение для спален за счет равномерного и комфортного освещения.
































































